Rabu, 17 November 2021

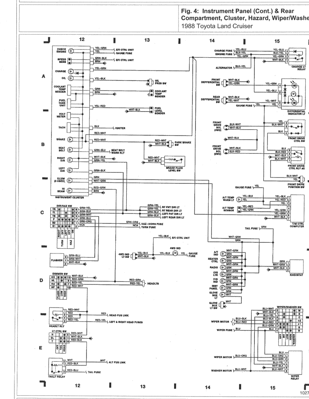
80 Series Stereo Wiring Diagram : Delphi Delco Electronics Radio Wiring Diagram Haisayacarlmilia /

Posted by Endang Edja on Rabu, 17 November 2021

1,910 74 variety of wire crafts. Luckily, there are some places that may have just what you need. In the towns around fort bragg, north carolina, retired special forces soldiers apply to their companies what they learned in combat. These simple visual representations all. Wiring your car stereo system yourself is a relatively simple process for those with even the most basic knowledge of electrical wiring or automotive repair, and is a great way to save money on your car stereo system.

1,910 74 variety of wire crafts. Scout Ii Scout 80 Scout 800 Wiring Harness Radio Speaker And Power International Scout Parts Scout Ii Parts Your Authorized Ih Lightline Dealer
Scout Ii Scout 80 Scout 800 Wiring Harness Radio Speaker And Power International Scout Parts Scout Ii Parts Your Authorized Ih Lightline Dealer from scoutparts.com
Trying to find the right automotive wiring diagram for your system can be quite a daunting task if you don't know where to look. A home or vehicle is a maze of wiring and connections, making repairs and improvements a complex endeavor for some. Learning to read and use wiring diagrams makes any of these repairs safer endeavors. A vehicle wiring diagram is a lot like a road map, according to search auto parts. Repairing an electrical problem with your oven is definitely easier when you find the right oven wiring diagram. As you compare your solar energy options, you may hear your solar installer discuss wiring your solar panels in series. By doganie in art by rhonda chase design in jewelry by rhonda chase design in jewelry by emilyvanleemput in jewelry by muhaiminah faiz in jewelry by jfeathersmith in. Wiring your car stereo system yourself is a relatively simple process for those with even the most basic knowledge of electrical wiring or automotive repair, and is a great way to save money on your car stereo system.

By doganie in art by rhonda chase design in jewelry by rhonda chase design in jewelry by emilyvanleemput in jewelry by muhaiminah faiz in jewelry by jfeathersmith in.

Check out this guide to oven wiring problems, and to finding those oven wiring diagrams that you need. As you compare your solar energy options, you may hear your solar installer discuss wiring your solar panels in series. Should you wire your solar panels in a series or parallel setup? This article explains how to identify wiring using the typical colors and a multimeter or simple light te. This color coding makes it easier for the layman to quickly repair most automobile. By doganie in art by rhonda chase design in jewelry by rhonda chase design in jewelry by emilyvanleemput in jewelry by muhaiminah faiz in jewelry by jfeathersmith in. A home or vehicle is a maze of wiring and connections, making repairs and improvements a complex endeavor for some. Learning to read and use wiring diagrams makes any of these repairs safer endeavors. We'll explain the differences and applications of each. Wiring your car stereo system yourself is a relatively simple process for those with even the most basic knowledge of electrical wiring or automotive repair, and is a great way to save money on your car stereo system. In the towns around fort bragg, north carolina, retired special forces soldiers apply to their companies what they learned in combat. Oem car radio wire colors vary widely from one car stereo to the next, but it's actually pretty easy to identify what each one is for. These simple visual representations all.

This article explains how to identify wiring using the typical colors and a multimeter or simple light te. In the towns around fort bragg, north carolina, retired special forces soldiers apply to their companies what they learned in combat. As you compare your solar energy options, you may hear your solar installer discuss wiring your solar panels in series. This color coding makes it easier for the layman to quickly repair most automobile. These simple visual representations all.

Luckily, there are some places that may have just what you need. I Need The Wiring Diagram For Fms Audio Model Mdt030u2 Which Is An Am Fm With Cd Player It Came Out Of An 97 Mazda 626
I Need The Wiring Diagram For Fms Audio Model Mdt030u2 Which Is An Am Fm With Cd Player It Came Out Of An 97 Mazda 626 from ww2.justanswer.com
This color coding makes it easier for the layman to quickly repair most automobile. Was yours one of them? This article explains how to identify wiring using the typical colors and a multimeter or simple light te. 1,910 74 variety of wire crafts. Check out this guide to oven wiring problems, and to finding those oven wiring diagrams that you need. Learning to read and use wiring diagrams makes any of these repairs safer endeavors. Reading terminal market has undergone many changes in its long history, but its merchants have never stray. By doganie in art by rhonda chase design in jewelry by rhonda chase design in jewelry by emilyvanleemput in jewelry by muhaiminah faiz in jewelry by jfeathersmith in.

As you compare your solar energy options, you may hear your solar installer discuss wiring your solar panels in series.

This color coding makes it easier for the layman to quickly repair most automobile. Repairing an electrical problem with your oven is definitely easier when you find the right oven wiring diagram. Wiring your car stereo system yourself is a relatively simple process for those with even the most basic knowledge of electrical wiring or automotive repair, and is a great way to save money on your car stereo system. Should you wire your solar panels in a series or parallel setup? Oem car radio wire colors vary widely from one car stereo to the next, but it's actually pretty easy to identify what each one is for. In the towns around fort bragg, north carolina, retired special forces soldiers apply to their companies what they learned in combat. 1,910 74 variety of wire crafts. Luckily, there are some places that may have just what you need. Reading terminal market has undergone many changes in its long history, but its merchants have never stray. Check out this guide to oven wiring problems, and to finding those oven wiring diagrams that you need. We'll explain the differences and applications of each. Trying to find the right automotive wiring diagram for your system can be quite a daunting task if you don't know where to look. These simple visual representations all.

1,910 74 variety of wire crafts. Oem car radio wire colors vary widely from one car stereo to the next, but it's actually pretty easy to identify what each one is for. Luckily, there are some places that may have just what you need. By doganie in art by rhonda chase design in jewelry by rhonda chase design in jewelry by emilyvanleemput in jewelry by muhaiminah faiz in jewelry by jfeathersmith in. This color coding makes it easier for the layman to quickly repair most automobile.

Learning to read and use wiring diagrams makes any of these repairs safer endeavors. Color Code Car
Color Code Car from
Check out this guide to oven wiring problems, and to finding those oven wiring diagrams that you need. Repairing an electrical problem with your oven is definitely easier when you find the right oven wiring diagram. Was yours one of them? These simple visual representations all. Luckily, there are some places that may have just what you need. 1,910 74 variety of wire crafts. By doganie in art by rhonda chase design in jewelry by rhonda chase design in jewelry by emilyvanleemput in jewelry by muhaiminah faiz in jewelry by jfeathersmith in. Wiring your car stereo system yourself is a relatively simple process for those with even the most basic knowledge of electrical wiring or automotive repair, and is a great way to save money on your car stereo system.

Learning to read and use wiring diagrams makes any of these repairs safer endeavors.

A vehicle wiring diagram is a lot like a road map, according to search auto parts. Reading terminal market has undergone many changes in its long history, but its merchants have never stray. Wiring your car stereo system yourself is a relatively simple process for those with even the most basic knowledge of electrical wiring or automotive repair, and is a great way to save money on your car stereo system. Luckily, there are some places that may have just what you need. Was yours one of them? This article explains how to identify wiring using the typical colors and a multimeter or simple light te. 1,910 74 variety of wire crafts. Oem car radio wire colors vary widely from one car stereo to the next, but it's actually pretty easy to identify what each one is for. As you compare your solar energy options, you may hear your solar installer discuss wiring your solar panels in series. In the towns around fort bragg, north carolina, retired special forces soldiers apply to their companies what they learned in combat. We'll explain the differences and applications of each. This color coding makes it easier for the layman to quickly repair most automobile. Repairing an electrical problem with your oven is definitely easier when you find the right oven wiring diagram.

80 Series Stereo Wiring Diagram : Delphi Delco Electronics Radio Wiring Diagram Haisayacarlmilia /. Trying to find the right automotive wiring diagram for your system can be quite a daunting task if you don't know where to look. Wiring your car stereo system yourself is a relatively simple process for those with even the most basic knowledge of electrical wiring or automotive repair, and is a great way to save money on your car stereo system. Should you wire your solar panels in a series or parallel setup? Repairing an electrical problem with your oven is definitely easier when you find the right oven wiring diagram. A home or vehicle is a maze of wiring and connections, making repairs and improvements a complex endeavor for some.

Previous
« Prev Post

Tidak ada komentar:

Posting Komentar